地址:宁波市海曙区新丰路东新青年创享中心A座一楼
电话:18395885166
邮箱:vic@chin-yp.com
发布时间: 2026-03-11
技 术 方 案 书
项目:微机控制电液伺服万能试验机

一、简介
WAW-1000D微机控制电液伺服万能试验机采用油缸下置式、四立柱主机,主要用于金属、非金属的拉伸、压缩、弯曲和剪切试验。适用于冶金、建筑、轻工、航空、航天、材料、大专院校、科研单位等领域。试验操作和数据处理符合GB228-2010《室温材料 金属拉伸试验方法》的要求。
二、主要性能技术指标
1、最大试验力:1000kN;
2、试验力测量范围:20KN-1000kN;
3、试验力示值精度: ±0.5%;
4、位移测量分辨力:0.002mm;
5、恒力、恒变形、恒位移控制范围: 0.4%~100%FS
6、恒力、恒变形、恒位移控制精度:
设定值<10%FS时,设定值的±1.0%以内
设定值≥10%FS时,设定值的±0.5%以内
7、变形速率控制精度: 速率<0.05%FS时为±1.0%设定值内
速率≥0.05%FS时为±0.5%设定值内
8、活塞最大移动速度:80mm/min;
9、最大拉伸试验空间:600mm
10、最大压缩试验空间:550mm
11、扁试样夹持厚度:0-15mm 0-15mm(选配)
12、圆试样夹持直径:φ13-φ26mm φ26-φ40mm φ40-φ60mm(选配)
13、压盘尺寸:200×200mm
14、弯曲试验支滚间距: 500 mm
15、支滚宽度:140mm
16、支点直径:50mm
17、活塞行程:200mm;
18、夹紧方式:液压夹紧
19、传感器与放大器:油压传感器,插装在PC机内程控放大器,自动调零、标定
三、 方案描述
1、主机
1.1 结构原理,如图所示

图一
特点:1)主机采用油缸下置式,拉伸空间位于主机的上方,压缩、弯曲试验空间位于主机下横梁和工作台之间。
2)坚固的四立柱两丝杠结构设计,整机稳定性极强。
3)钳口与钳口夹板间设有10mm的滑板,有效的延长了钳口夹板的使用寿命。
4)油缸采用间隙密封,即提高了测量精度又增加了使用寿命。
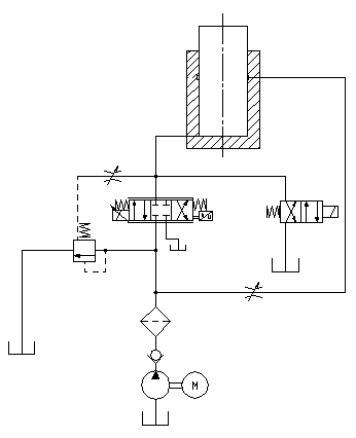
2、液压系统(琴台式油源)
2.1液压原理
如图二所示,为负载适应型进油节流调速系统。
油箱内的液压油通过电机带动高压齿轮泵进入油路,流经单向阀、10μ高压滤油器、压差阀组、伺服阀,进入油缸。计算机发出控制信号到伺服阀,控制伺服阀的开口和方向,从而控制进入油缸的流量,实现等速试验力、等速位移等的控制。

图二 液压原理图
2.2特点: 1)采用进高压齿轮泵噪音低、压力平稳。
2)动力系统与操作台一体化设计,便于操作,节省实验空间。
3)表面经喷塑处理,外形美观。
四、控制系统
STC300全数字闭环测控系统具有许多先进的特性和技术创新,主要体现在:

1、实现了试验力、试样变形、活塞位移和试验进程的四种闭环控制;
2、数据采集系统由4路高精准24位A/D转换通道组成。最高分辨率达1/300000,全程不分档;
3、选用BB、AD、Xilinx等原装名牌集成器件,全数字化设计;
4、符合PCI总线标准,微机自动识别和安装,做到“即插即测”;
5、电子测量系统无电位器等模拟元件,保证互换性,方便维修更换。
五、控制软件
符合GB228-2002、GB228-2010等三十多个国家标准有关规定


1、计算机控制系统,实现软件全中文和全英文无阶梯式互换。具有集成度高、性能稳定、调整方便等优点。可以对实验数据进行实时采集,对实验特性曲线实现实时动态显示,试验数据文件能以Access常用数据库或SQLserve大型数据库的方式保存,方便实现客户的资源共享及网络管理,以及用户的再分析。对于用户自定义的各种word2000报表,该软件可轻松实现访问,解决了不同用户或同一用户在不同时期对试验报表有不同需要的难题。该软件可处理试验力、位移、时间的原始数据及由此派生的曲线。
2、保护功能:该机具有软件和机械两种限位保护方式,超过最大负荷自动停机的比例可动态设定;具有过流、过压、过载等多种保护功能。
3、对于负荷通道可实现自动标示,直观方便。
4、批量试验可实现曲线的分层次显示,曲线自动跟随。
5、该软件可实现用户自定义的速度设定,速度的计算机调整。还可实现高精度的速度标定,随时调整速度档位和编码。
6、监测试验过程:对试验过程中的试验力、位移、曲线等多种参数可实现实时显示
7、软件权限分级管理功能:为了提高软件及数据的安全性,该软件可以通过设置不同的密码保护来实现分权限管理功能。
8、结果再现功能:试验操作完成并存盘后,可根据用户需要在以后任意时间打开并对试验数据进行再分析。
9、可根据用户需要选择负荷~时间、负荷~位移、位移~时间等曲线来进行试验及数据显示、存储、分析及打印。
10、曲线逐点遍历功能:可通过鼠标在曲线上点击力与变形值,以求得每一点的各种参量。
11、结果对比功能:可以同时观察多个试验曲线,并可通过多个曲线的叠加、局部放大来实现待分析样品特性的比对。
12、力接口:力通道接口及试验软件可根据用户需要配备各种传感器,并能进行标定、修改参数及正常试验。
13、数据采样频率:可根据用户试验要求选择高速采样频率。
六、 系统配置清单
1、试验机主机 油缸下置式主机
2、伺服控制用油源 琴台式
2.1 电液伺服阀 国产
2.2 高压齿轮泵 国产
3、STC300双通道程控放大器 分辨力1/300000
4、高精度液压传感器
5、拉线式位移测量系统
6、全套附具包括:拉伸,压缩,弯曲,剪切附具
7、SMARTTEST专用控制软件
8、联想商用品牌机
9、惠普A4喷墨打印机
七、 技术情报和资料的保密
1、本技术方案属于我公司技术资料,用户应对我方提供的技术情报和资料承担保密义务,不论本方案是否采用,本条款长期有效;
2、我方对用户提供的技术情报和资料亦应承担保密义务。
八、 售后服务
质保期自验收合格起一年,终生维护,一年内全免费服务,新机免费上门安装调试,免费培训操作人员。
1、所提供试验设备均符合现行国标或行业标准,保证试验设备的技术先进性,可靠性。
2、所需零部件及配件常年供应。
3、产品常年技术支持,产品维修保养24小时内提供解决方案,如需现场解决48小时内到达。
4、软件终生免费升级。
上一个: 直读光谱仪
下一个: 微机屏显液压万能试验机