地址:宁波市海曙区新丰路东新青年创享中心A座一楼
电话:18395885166
邮箱:vic@chin-yp.com
发布时间: 2026-03-11
微机屏显液压万能试验机

三、性能说明:
本试验机为下置式液压万能试验机,主要用于金属材料和水泥、混凝土、塑料等非金属材料的拉伸、压缩、弯曲、剪切等试验。增加附件,可完成钢绞线、钢丝绳、链条、电焊条、胶带及构件的力学性能试验。广泛应用于机械、冶金、交通、建工、建材、大专院校、质量检测等行业和部门。性能可靠,经济实用,是生产和工程中材料检测的理想试验机。
本试验机根据国家GB/T3159-2008《液压式万能试验机》设计与制造。采用油压传感器测力,电子引申计测试拉伸变形,计算机处理运算数据,具备试验数据屏显和存贮、曲线绘制和分析、打印结果等功能。
四、 主要规格、技术参数和技术指标
1、最大试验力: 1000 kN
2、试验机准确度: 1级
3、最大拉伸空间: 620mm
4、最大压缩空间: 520mm
5、扁试样夹持直径: 0-40mm
6、圆试样夹持直径: Φ13-60mm
7、压盘直径: Φ204mm
8、两立柱间间距: 510mm
9、弯曲支辊间距: 40-500mm
10、弯曲压头: Φ40
11、工作活塞行程: 250mm
12、示值相对误差最大允许值 ±1%
13、夹紧方式: 液压夹紧
14、油泵电机功率: 2.2KW
15、横梁移动电机功率: 0.55KW
16、主机外形尺寸: 890×700×2300(mm)
17、控制柜外形尺寸: 1020×620×810(mm)
18、重量: 3800(kg)
五、主要附件配置
1、圆试样钳口 Ф13~Ф26 1付
2、圆试样钳口 Ф26~Ф40 1付
3、圆试样钳口 Ф40~Ф60(选配)
4、扁试样钳口 0~20 1付
5、扁试样钳口 20~40 (选配)
6、抗压附具 上、下压板,球面座板 1套
7、弯曲试验附具 1套
8、地脚螺母螺钉 4个
9、测控系统一套包括(计算机1台、 打印机1台、油压传感器1只、
10、电子引伸计一只、
11、拉线编码器一只
12、专用测控软件一套(装在微机内)
六、结构特征与工作原理
该液压式万能试验机是由主机、油源系统和微机测控系统组成。
1.主机
主机由底座(内装主工作油缸)、试台、上下横梁、夹持部分、丝杠、立柱等组成。试台和上横梁通过立柱联接成一个刚性框架,试台和主工作活塞通过螺钉联结。这样,就形成两个工作空间,即:上横梁和下横梁形成的拉伸空间;下横梁和试台形成的压缩空间。拉伸空间和压缩空间的调整是通过下横梁的上下移动实现的,下横梁移动是电机经减速器、链传动机构、丝杠副完成的。
上钳口座与下钳口座之间为拉伸区域。钳口座内有钳口,通过更换不同的钳口夹持不同的试样进行试验。油缸和活塞是主机的主要部分。他们的接触表面经过精密加工,并保持一定的配合间隙和适当的油膜。因此在使用时应特别注意油的清洁,不使油内含有杂质、铁屑等,随油通过油泵、油阀、油管等进入油缸内,损坏油缸及活塞的接触面积,进而影响试验的准确度。
2.操作部分
电源按钮及指示灯、高压油泵电动机的开停按钮装在油源台面上。送油阀亦称调速阀,利用此阀可使油泵输出高压油送到试验机油缸内。同时可控制力值增加的速度。回油阀可卸除负荷,使工作油缸内的油回到油箱内。
3.高压油泵及电机
高压油泵与电机直接连接,装在油箱盖板上。油箱设在油源内底面,油箱外面有油窗观察油位。高压油泵是采用柱塞式油泵,由七套活塞副组成的轴向柱塞泵,油泵内的活塞和套筒具有较高的表面质量和良好的配合,保证了生产高压的可能性和最小的油量泄漏。
4.液压传动系统
油箱内的油经过滤油网被吸入油泵后,经油泵的输油管送到送油阀内。当送油手轮关闭时,油从回油管流回油箱,当送油手轮打开时,则油液经油管进入工作油缸内,再通过压力油管经过回油阀体的孔路同步作用到负荷传感器,传感信号经转换处理后由微机测控系统指示出试验力值。
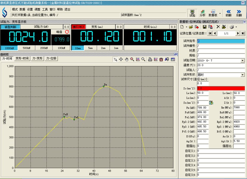
七、软件功能介绍
◆ 本系列试验机采用Windows9x/2000/XP操作系统为工作平台。
◆ 试验数据采用数据库管理方式,可打印试验数据。
◆ 微机屏幕显示,负荷及变形自动标定,试验量程自动转换,自动存储数据和结果,数据和曲线动态显示。软件操作简单,界面友好。

◆ 执行国标GB228-87、GB/T228-2002、GB7314-87等试验方法
◆ 采用人机交互方式分析计算测试材料的机械性能指标,试验结束时自动计算弹性模量、屈服强度、非比例伸长应力等,在自动分析的基础上,还可以人工修正分析结果,提高分析的准确性。
◆ 分4档数码显示拉、压试验力及峰值,精度为每档量程20%开始示值的±1%,可自动标定,数字化调零。
◆ 可以配置多组力传感器和引伸计,用户可根据需要随时切换;
◆ 分4档数码显示变形,精度为每档量程20%开始±0.5%FS,可自动标定,数字化调零。
◆ 数码测量和显示位移,灵敏度0.01mm。
◆ 同时记录力-时间,变形-时间,力-变形和力-位移试验曲线,可随时切换观察,高速采集。

◆ 强大的数据分析处理功能,采用人机交互方式分析计算被试材料的机械性能指标,可自动计算弹性模量、上下屈服强度、规定非比例延伸强度、规定总延伸强度等,也可人工干预分析过程,提高分析的准确度。
◆ 数据采用数据库管理方式,自动保存试验数据和曲线至数据库,保证了数据的完整性和统一性,便于用户查询和管理。这有别于一些测试系统只能采用数据库保存试验数据,曲线还是以文件的方式存储的模式。
◆ 多种报表输出方式,功能强大的报表编辑功能,用户可以按照自己的要求在极短的时间内编制出任何格式的试验报告,SmartTest的报表编辑功能能够满足用户在报表方面的任何要求,而且操作简单,易学易会。
